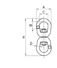
Code no.
|
Load capacity (t)
|
Dimensions (mm) |
Weight (kg)
|
A |
B |
C |
D |
H |
| OFS GFT01 |
1,25 |
50 |
28 |
30 |
10 |
138 |
0.36 |
| OFS GFT02 |
1.6 |
67 |
37 |
39 |
14 |
182 |
0.90 |
| OFS GFT04 |
3,2 |
80 |
45 |
46 |
17 |
228 |
1.30 |
| OFS GFT05 |
5,4 |
104 |
55 |
63 |
20,5 |
272 |
3.57 |
| OFS GFT06 |
8 |
132 |
65 |
78 |
27 |
331 |
6.30 |
| OFS GFT07 |
11,5 |
148 |
70 |
90 |
29 |
361 |
9.45 |
| OFS GFT08 |
15 |
160 |
82 |
90 |
35 |
420 |
13.60 |
| OFS GFT09 |
22 |
198 |
105 |
122 |
38 |
521 |
22.70 |
| OFS GFT010 |
30 |
235 |
119 |
139 |
48 |
646 |
57.20 |
| OFS GFT012 |
40 |
266 |
142 |
160 |
51 |
730 |
73 |
|