doppifreccia1freccia2pdf
disegnoPN

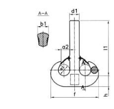
RAMSHORN HOOKS according to UNI 9470/1 - DIN 15402


Material resistance class : P - T - V


SHANK LENGTH: (A): l1 = DIN - (B): l1 = > DIN - (C): l1= < DIN

Approx. dimensions (mm)
Hook no.
a1
a2
b1
d1
f
h
I1(A)
I1(B)
Weight (kg)
2,5
50
40
40
42
208
50
270
-
6,5
4
56
45
48
48
238
60
-
370
9,5
5
63
50
53
53
266
67
-
430
12,5
6
71
56
60
60
301
75
-
515
19
8
80
63
67
67
337
85
-
555
24
10
90
71
75
75
377
95
-
620
45
12
100
80
85
85
421
106
-
710
60
16
112
90
95
95
471
118
-
780
80
20
125
100
106
106
531
132
-
850
108
25
140
112
118
118
598
150
-
915
155
32
160
125
132
132
672
170
800
-
195
40
180
140
150
150
754
190
-
1085
280
50
200
160
170
170
842
212
-
1115
388
63
224
180
190
190
944
236
-
1290
539
80
250
200
212
212
1062
265
-
1435
750
100
280
224
236
236
1186
300
-
1575
1050
125
315
250
265
265
1330
335
-
1750
1480
160
355
280
300
300
1505
375
-
1945
2100
200
400
315
335
335
1685
425
-
2160
3000
250
450
355
375
375
1885
475
-
2410
4250
prev